Gear Coupling Manufacturer, Exporter, Supplier in Gujarat, India.

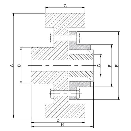
Brake Drum With Flexible Geared Coupling

Sahara Engineers is a leading manufacturer and supplier of high-quality Brake Drum with Flexible Geared Couplings based in Ahmedabad, Gujarat, India. Our couplings are designed to provide a reliable and efficient connection between shafts, ensuring smooth power transmission in various industrial applications.

Brake Drum with Flexible Geared Couplings serve a dual purpose: they function as both a coupling and a brake drum. This integration saves space and reduces component count in machinery. These couplings are ideal for applications where shafts are slightly misaligned, as they can accommodate angular, parallel, and axial misalignments. The flexible gear element absorbs shocks and vibrations, enhancing the overall performance and longevity of the system.

    Key Features

  • Dual Functionality: Combines the roles of a coupling and a brake drum, optimizing space and reducing component count.
  • High-Quality Construction: Manufactured using premium materials such as cast iron, alloy steel, stainless steel, and mild steel.
  • Precision Engineering: Designed to ensure a perfect fit and optimal performance.
  • Corrosion Resistance: Built to resist corrosion, extending the lifespan of the coupling.
  • Efficient Heat Dissipation: Facilitates effective heat dissipation during operation, preventing overheating and maintaining performance.
  • Customizable Dimensions: Available in various sizes and specifications to meet specific application requirements.

    Technical Specifications

  • Material Options: Cast Iron, Alloy Steel, Stainless Steel, Mild Steel
  • Size Range: Custom sizes available to match specific shaft diameters and torque requirements.
  • Design Variants: Offered in both keyed and keyless designs to suit various installation preferences.
  • Surface Treatment: Options include painted, galvanized, or polished finishes to enhance corrosion resistance.
  • Operating Temperature: Suitable for temperatures up to 70°C.
  • Torque Capacity: Up to 154 kW at 100 rpm, depending on size and application.

    Applications

    Brake Drum with Flexible Geared Couplings are widely used in:

  • Pumps and Compressors: Ensuring efficient power transmission in fluid handling systems.
  • Conveyor Systems: Providing reliable connections in material handling equipment.
  • Electric Motors: Facilitating smooth operation in motor-driven machinery.
  • Agricultural Machinery: Used in various farming equipment for effective power transfer.
  • Textile and Paper Machinery: Ensuring smooth operation in processing equipment.
  • Chemical Processing Equipment: Handling environments where chemical resistance is crucial.

    Quality Assurance

  • At Sahara Engineers, we adhere to stringent quality control processes to ensure that each brake drum with flexible geared coupling meets the highest standards. Our products undergo rigorous testing for durability, performance, and dimensional accuracy, guaranteeing reliability in every application.

    Why Choose Sahara Engineers?

  • Expertise: Over two decades of experience in manufacturing precision mechanical components.
  • Customization: Ability to tailor couplings to meet specific customer requirements.
  • Customer-Centric Approach: Dedicated to providing exceptional service and support throughout the product lifecycle.
  • Global Reach: Serving clients across India and exporting to various international markets.

    Ordering & Contact Information

  • To place an order or request a quote, please provide your shaft dimensions, torque specifications, and preferred material. Our team will promptly assist you with:
  • Technical Proposal: Customized solutions based on your requirements.
  • 2D/3D Models: Visual representations for better understanding and integration.
  • Quotation: Competitive pricing with transparent cost breakdowns.
  • Delivery Schedule: Timely delivery to ensure project timelines are met.

Get in Touch with Sahara Engineers Today!

Looking for high-quality, precision-engineered components? Whether you need custom gear couplings or other mechanical power transmission products, Sahara Engineers is here to meet your needs. Contact us today to discuss your project requirements, get a quote, or learn more about our products and services. Let's build a long-lasting partnership focused on quality, performance, and customer satisfaction!