Gear Coupling Manufacturer, Exporter, Supplier in Gujarat, India.

Rigid Coupling

Sahara Engineers is Rigid Coupling Manufacturer in Ahmedabad and Rigid Coupling Supplier in India provides Latest and Modern Engineering Machinery.

A type of coupling used to connect shafts that are in alignment. A rigid coupling is the simplest type of coupling.

Rigid couplings are used when precise shaft alignment is required; shaft misalignment will affect the coupling’s performance as well as its life.

Sahara flexible geared couplings are known for , Large Bore Capacity , High Torque Ratings Interchangeability , Better Design ,High Misalignment Capacity, Improved Lubrication System.

    Features

  • Rigid couplings are robust, simple & ideal for exactly aligned shafts.
  • They are torsionally stiff & backlash free.
  • Type SB rigid permits lager finish bore in both hubs.

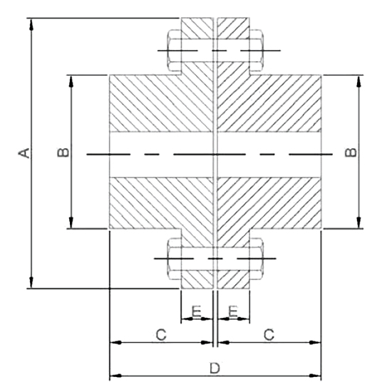
Dimensions & Technical Data

Get in Touch with Sahara Engineers Today!

Looking for high-quality, precision-engineered components? Whether you need custom gear couplings or other mechanical power transmission products, Sahara Engineers is here to meet your needs. Contact us today to discuss your project requirements, get a quote, or learn more about our products and services. Let's build a long-lasting partnership focused on quality, performance, and customer satisfaction!