Gear Coupling Manufacturer, Exporter, Supplier in Gujarat, India.

Pinbush Couplings

Sahara Engineers is a leading manufacturer and supplier of high-quality Pin Bush Couplings based in Ahmedabad, Gujarat, India. Our couplings are designed to provide a reliable and efficient connection between shafts, ensuring smooth power transmission in various industrial applications.

Product Overview

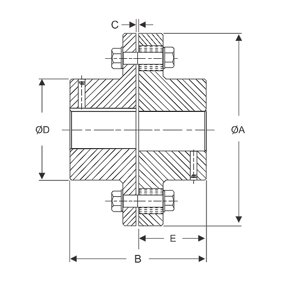
Pin Bush Couplings are flexible mechanical components used to connect two shafts, allowing for the transfer of torque and rotation. They are ideal for applications where shafts are slightly misaligned, as they can accommodate angular, parallel, and axial misalignments. These couplings consist of two flanges connected by pins and bushes, with the bushes acting as the flexible element that absorbs shocks and vibrations.

    Key Features

  • Torsionally Flexible: The elastomeric bushes absorb shocks and vibrations, reducing wear on connected equipment.
  • Maintenance-Free: Designed for long service life with minimal maintenance requirements.
  • Compact Design: Space-saving design suitable for installations with limited space.
  • High Torque Capacity: Capable of transmitting significant amounts of torque, suitable for heavy-duty applications.
  • Durable Materials: Manufactured using high-quality materials to ensure longevity and resistance to wear.
  • Fail-Safe Design: Continues to function even if the elastomer element is damaged, making it ideal for safety-critical applications.

    Technical Specifications

  • Material Options: Available in mild steel, stainless steel, and aluminum, catering to different environmental and load requirements.
  • Size Range: Custom sizes available to match specific shaft diameters and torque requirements.
  • Design Variants Offered in both keyed and keyless designs to suit various installation preferences.
  • Surface Treatment: Options include painted, galvanized, or polished finishes to enhance corrosion resistance.
  • Operating Temperature: Suitable for temperatures up to 70°C.
  • Torque Capacity: Up to 197,600 Nm, depending on size and application.

    Applications

    Pin Bush Couplings are widely used in:

  • Pumps and Compressors: Ensuring efficient power transmission in fluid handling systems.
  • Conveyor Systems: Providing reliable connections in material handling equipment.
  • Electric Motors: Facilitating smooth operation in motor-driven machinery.
  • Agricultural Machinery: Used in various farming equipment for effective power transfer.
  • Mining and Construction Equipment: Handling heavy-duty applications with high shock loads.
  • Textile and Paper Machinery: Ensuring smooth operation in processing equipment.

    Quality Assurance

    At Sahara Engineers, we adhere to stringent quality control processes to ensure that each Pin Bush Coupling meets the highest standards. Our products undergo rigorous testing for durability, performance, and dimensional accuracy, guaranteeing reliability in every application.

    Why Choose Sahara Engineers?

  • Expertise: Over two decades of experience in manufacturing precision mechanical components.
  • Customization: Ability to tailor couplings to meet specific customer requirements.
  • Customer-Centric Approach: Dedicated to providing exceptional service and support throughout the product lifecycle.
  • Global Reach: Serving clients across India and exporting to various international markets.

    Ordering & Contact Information

    To place an order or request a quote, please provide your shaft dimensions, torque specifications, and preferred material. Our team will promptly assist you with:

  • Technical Proposal: Customized solutions based on your requirements.
  • 2D/3D Models: Visual representations for better understanding and integration.
  • Quotation: Competitive pricing with transparent cost breakdowns.
  • Delivery Schedule: Timely delivery to ensure project timelines are met.

Get in Touch with Sahara Engineers Today!

Looking for high-quality, precision-engineered components? Whether you need custom gear couplings or other mechanical power transmission products, Sahara Engineers is here to meet your needs. Contact us today to discuss your project requirements, get a quote, or learn more about our products and services. Let's build a long-lasting partnership focused on quality, performance, and customer satisfaction!